Sns025l
Sns025l
Contacto ahora

 

Juntas rotativas para vapor, serie SN

Articulación rotativa, también se llama unión rotaria o articulación giratoria.
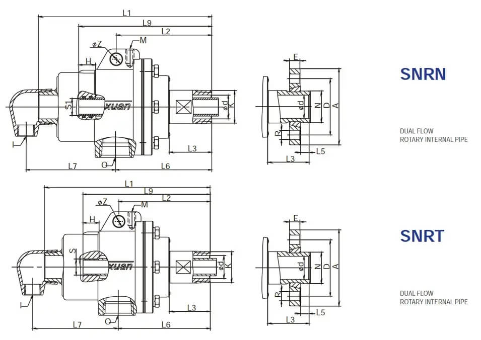
Las juntas rotativas de la serie SN están hechas de hierro fundido nodular y encuentran una aplicación extensa en la transferencia de vapor y aceites térmicos. Este tipo de junta de vapor implementa un diseño de sello de la superficie cóncava y una estructura de primavera única, con alta eficiencia y fuga cero. En cuanto a la estructura interna, la unión rotativa posee soporte de doble soporte y anillo de grafito de alta calidad, con una estructura simple y fácil mantenimiento. Configuraciones principales de juntas rotativas de vapor
1. Cabeza del codo
2. Cuerpo
3. Usar plato
4. Pezón
5. Tuphon tubería
6. Rojos de Omitss
7. Anillo de grafito
8. Características del resorte de las juntas rotativas de vapor
1. Sello de superficie cóncava
2. Material de sello de grafito relleno de grafito o antimonio estándar
3. Soporte de doble soporte de Oilless
4. Espacio máximo de soporte
5. Vida útil prolongada y alta confiabilidad
6. Fácil de reemplazar
7. Tipo rotativo o sifón de tipo fijo

Parámetros técnicos de las juntas giratorias de vapor
Max. Presión: 32Bar
Max. Temperatura: 280 ℃
Max. Velocidad: 50-250 rpm
Medios: vapor, aceite de transferencia de calor, agua caliente
Tamaño: 3/4 ″ —— 8 ″

Mesa de tamaño

 

La instalación

 

Consulta de solicitud

Consulta de solicitud